UNSER KOMPLETTES PROGRAMM AN

Tragrollen - Stationen

Robuste und normgerechte Tragrollen-Stationen für industrielle Gurtförderanlagen. Die Siegbert Spohr GmbH fertigt Oberbandstationen, Unterband-Stationen, Flachband-Stationen sowie präzise Lenkstationen. Wer Tragrollen einsetzt, benötigt in den meisten Fällen auch Tragrollen-Stationen. Wir liefern inzwischen das komplette Programm vom einfachen Tragrollenhalter (Unterband-Station) über 2- oder 3-teilige Oberband-Stationen bis hin zu aufwendigen Oberband-Lenkstationen. Unterschiedliche Muldungswinkel sind für uns genauso selbstverständlich wie Schwellen aus U-Stahl, Winkelstahl oder Flacheisen.

Teilen Sie uns bereits bei Ihrer Anfrage mit, ob wir die Tragrollen-Stationen in grundierter, lackierter, verzinkter oder Sonderausführung anbieten sollen. Auch Tragrollen-Stationen, sehr individuell nach Ihren Vorgaben ausgelegt, bieten wir Ihnen gerne an. Gerne erwarten wir hierzu Ihre Anfragen.

Jetzt kaufen Individuell Anfragen

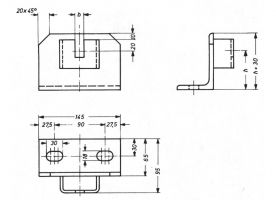
Oberband-Station 2-teilig Oberband-Station 2-teilig

TRAGROLLEN-Stationen

Oberband-Station
2-teilig

zum Produkt

Oberband-Station 3-teilig Oberband-Station 3-teilig

TRAGROLLEN-Stationen

Oberband-Station
3-teilig

zum Produkt

Unterband-Station Unterband-Station

TRAGROLLEN-Stationen

Unterband-Station

zum Produkt

Oberband-Lenkstationen Oberband-Lenkstationen

TRAGROLLEN-Stationen

Oberband-Lenkstationen

zum Produkt

Unterband-Lenkstation Unterband-Lenkstation

TRAGROLLEN-Stationen

Unterband-Lenkstation

zum Produkt

Flachbandstation Flachbandstation

TRAGROLLEN-Stationen

Flachbandstation

zum Produkt

Häufig gestellte Fragen

Welche Typen von Tragrollen-Stationen liefert die Siegbert Spohr GmbH?

Wir fertigen ein umfassendes Sortiment an robusten Stationen für Gurtförderer nach Ihren Spezifikation. Dazu gehören 2-teilige und 3-teilige Oberbandstationen, Unterband-Stationen, Flachband-Stationen sowie spezialisierte Oberband- und Unterband-Lenkstationen zur optimalen Gurtführung.

Wie unterstützen Oberband- und Unterband-Lenkstationen den Betrieb von Förderanlagen?

Lenkstationen sind entscheidend, um den Schieflauf von Fördergurten automatisch zu korrigieren. Unsere präzise gefertigten Oberband-Lenkstationen und Unterband-Lenkstationen reagieren sofort auf Gurtverlaufabweichungen, zentrieren das Band eigenständig und verhindern so effektiv Kantenbeschädigungen am Fördergurt sowie Materialverluste.

Können Tragrollen-Stationen passgenau für bestehende Förderband Rollen angefordert werden?

Ja. Um sicherzustellen, dass die neuen Stationen perfekt zu Ihren vorhandenen Förderband Rollen und Gerüstbautypen passen, bieten wir digitale, geführte Fragebögen an. Dadurch werden alle relevanten Anschlussmaße im Vorfeld fehlerfrei ermittelt, was eine exakt maßgenaue B2B-Konstruktion garantiert.

Aus welchen Materialien und nach welchen Standards werden die Stationen gefertigt?

Wir fertigen all unsere Tragrollen-Stationen aus hochwertigem, langlebigem Stahl, der optional feuerverzinkt oder grundiert geliefert werden kann. Sie sind speziell für die harten Einsatzbedingungen in der Schüttgutindustrie und dem Bergbau ausgelegt und garantieren eine maximale Standzeit Ihrer Förderbänder.

weitere Bezeichnungen

Einlegestationen, Einlegewinkel, Förderbandrollenböcke, Förderbandrollenhalter, Förderbandrollen-Haltewinkel, Förderbandrollen-Stationen, Förderbandrollenstühle, Haltewinkel, Rollenböcke, Rollenhalter, Rollen-Haltewinkel, Rollenstationen, Rollenstühle, Rollenträger, Steuerstationen, Tragrollenböcke, Tragrollenhalter, Tragrollen-Haltewinkel, Tragrollenstationen, Tragrollenstühle, Tragrollenträger, Zentrierstation

Sie benötigen Gießerei-Produkte?

Gerne sind wir auch im Bereich des Gießereibedarfs Ihr zuverlässiger Ansprechpartner. Machen Sie sich einen Überblick über unsere Produkpalette:

Gießereibedarf

Ihnen gefällt was Sie sehen?

Helfen Sie anderen und teilen Sie unsere Seite.

Teilen via LinkedIn

Telefon E-Mail nach oben

Einstellungen

Accessibility

Über folgende Optionen können Sie das Interface individuell auf Barrierefreiheit anpassen. Unsere Website orientiert sich an den Accessibility Guidelines für Barrierefreiheit, festgelegt vom W3C. Über folgende Optionen können Sie das Interface weiter auf Ihre Bedürfnisse anpassen.