Flachband-Station (Zeichnung) Flachband-Station (Zeichnung)

TRAGROLLEN-Stationen

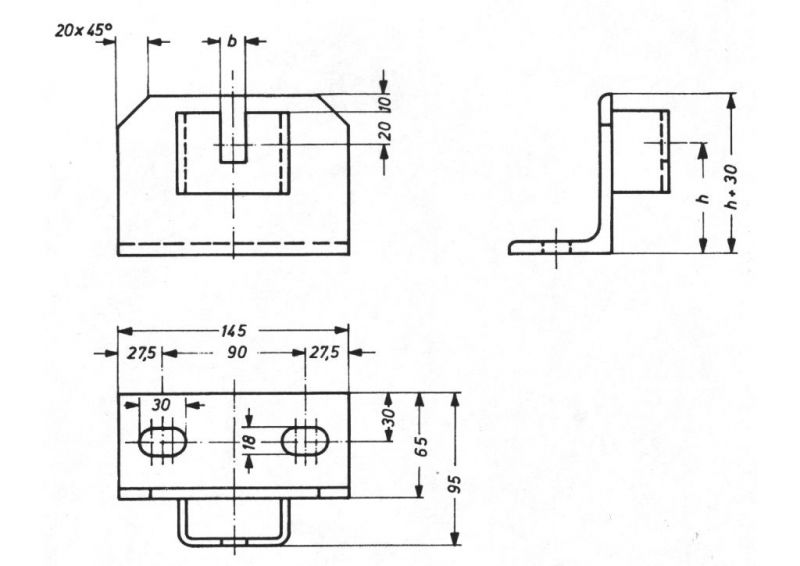
Flachband - Stationen

Wie es schon der Name sagt, finden Flachband-Stationen dort ihren Einsatz, wo lediglich flache Förderstrecken mit meist nur einer Rolle pro Station benötigt werden. Dies kann sowohl im Stückgutbereich, als auch im Schüttgutbereich vorkommen.

Die Standardausführung ist für Tragrollen mit SW 15 ausgelegt.

Jetzt Anfragen

Produkt-Datenblatt

weitere Bezeichnungen

Tragrollenhalter, Förderbandrollenhalter, Rollenhalter, Haltewinkel, Tragrollen-Haltewinkel, Förderbandrollen-Haltewinkel, Rollen-Haltewinkel, Einlegestationen, Einlegewinkel, Tragrollenträger, Rollenträger

Zu diesem Produkt empfehlen wir:

Tragrollen Typ 15207 (Normrollen) Tragrollen Typ 15207 (Normrollen)

TRAGROLLEN

Tragrollen Typ 15207

zum Produkt

Tragrollen mit Gummiringen Tragrollen mit Gummiringen

Tragrollen

Tragrollen mit Gummiringen

zum Produkt

Umlenktrommel Umlenktrommel

ÜberBlick über

Trommeln

zum Überblick

Alle Vorteile auf einen Blick

  • optimal für flache Förderstrecken
  • Standardausführung für Tragrollen mit SW 15
  • lange Lebensdauer

Ihnen gefällt was Sie sehen?

Helfen Sie anderen und teilen Sie unsere Seite.

Teilen via LinkedIn

Telefon E-Mail nach oben

Einstellungen

Accessibility

Über folgende Optionen können Sie das Interface individuell auf Barrierefreiheit anpassen. Unsere Website orientiert sich an den Accessibility Guidelines für Barrierefreiheit, festgelegt vom W3C. Über folgende Optionen können Sie das Interface weiter auf Ihre Bedürfnisse anpassen.